2025-10-30
在当前全球能源转型加速的关键阶段,新型能源技术正成为推动产业变革的重要力量。伟创电气积极响应国家“双碳”战略,围绕公司“一核两新”布局,前瞻步入绿色能源新赛道。基于在电气传动和工业控制领域二十年的深厚积累,公司深度融合对复杂负载与用电场景的深刻理解,将高效控制技术与工商业实际需求相结合,打造VPS01系列工商业储能产品,不仅为构建新型电力系统提供助力,更标志着伟创在绿色能源领域的战略落地迈出重要一步。

产品优势
【智慧储能 驱动能源革新】
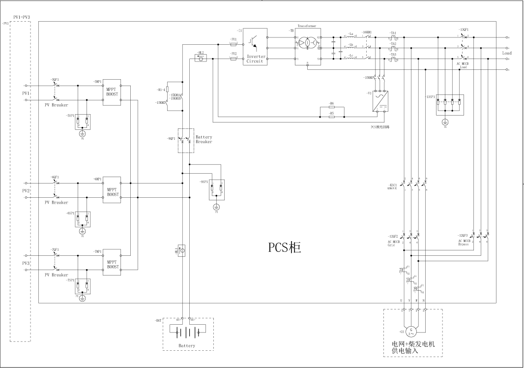
VPS01系列是伟创电气专为工商业储能应用开发的高可靠性、高效率、高性能电源产品,为企业能源管理带来全新突破:

l 全能接入,灵活调度
支持光伏、电网、柴油发电机、电池和负载同时接入,实现能源灵活调度。
l 模块化设计,自由扩容
采用模块化设计,支持多机并联扩展,满足不同规模项目需求。
l 安全高效,稳定可靠
实现电网与蓄电池之间高效、安全的双向电能转换,保障关键负载持续供电。
l 智能控制,多种模式
支持五种运行方式及多种控制策略,适应不同用户需求。
成功案例
【助力中南半岛项目破解困局】
项目背景
项目地处中南半岛,面临“电力孤岛”困境:当地电网建设滞后,导致工厂每日仅获4小时供电,年停电超1350小时,严重影响生产。在此极端条件下,常规并网储能方案因无法应对主要感性负载(如变频器)的冲击,存在离网运行不稳、频率漂移等技术瓶颈,难以满足连续生产的核心需求。
伟创方案
伟创电气深入洞察项目现状,为其定制VPS01-500kW微电网储能系统,精准破解核心难题。

(方案拓扑图)
本次方案采用自主研发的构网型架构,具备多项出色性能:
主动构网能力,能够真正的“离网自持”运行
高动态响应,实现毫秒级响应负载变化
无缝切换,保障供电连续性
项目成果
系统投运后,工厂彻底摆脱“电力孤岛”困境,实现了有效生产时间的倍增与产能利用率的跨越式提升,从根本上解决了停电困扰,为生产运营带来了质的改变。

伟创VPS01系列以稳定可靠的运行表现与高效智能的电力调控,为不同场景提供持续、优质的能源保障。未来,伟创期待携手更多伙伴,共同赋能更加绿色、高效的能源未来!